一、安装
1、泵主轴与动力主轴可通过弹性联轴节联结,防止别劲。主机与泵传动轴的过渡连接的同轴度不大于 Φ0.05。
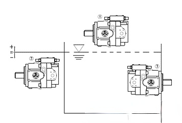
1)可能有以下安装位置(见图1)。泵壳内必须始终充满油液。

图1
① 泵高于油箱(高于最低液面)。一般要求泵安装位置、壳体上边缘低于油箱最低液面。若安装需在油面以上,请在订货时提出。
② 泵在油箱旁边或下面(低于最低液面)或元件壳体上缘与最低液面取齐。
③ 泵在油箱内(低于最低液面),当元件装在油箱内时,如果元件高于最低液面则使用①。
2)安装位置:
在调试时,必须向泵壳体内注入油液,并且在运行时要注满。为了降低运行噪音等级,所有连接管路(吸油,压力和箱体泄油管路)都必须使用柔性元件与油箱分开。
必须避免在箱体泄油管路中使用单向阀。
箱体泄油管路必须在管路尺寸无变化的情况下直接接回到油箱。可能存在异常情况,请及时向我们咨询。
2.1在油箱内安装
◆轴向柱塞泵在油箱内安装,低于油箱的最低油位。轴向柱塞泵完全在液压流体下面。
◆建议将吸入口S安装吸入管路,排放口T1,T2或R安装泄油管路,同时其他泄油口必须堵死。安装管路前轴向柱塞泵必须注满液压油同时油箱也充满液压油。
◆当最低油位等于或高于泵安装法兰区域时:油口“T1”,“T2”和“R”打开(请参见图2)。

图2
◆ 吸油口S可以不必连接管路,如果空间允许建议连接吸油管。
◆轴向柱塞泵带有电气部件时,不能安装在油箱的内部油位以下。
◆防止轴向柱塞泵损坏,所有塑料部件在油箱内安装前必须移出。
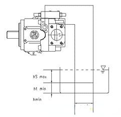
2.2 在油箱上部安装
◆轴向柱塞泵在油箱外部上方安装,高于油箱的最低油位。
◆允许吸油高程hs和总的压力损失有关,吸油高度hSmax≤800mm;吸油管淹没深度ht min≥200mm,如图3所示。
◆带有压力控制、排量限制器、HD和EP控制装置,最小排量设置必须为Vg≥5%Vg max。
◆如果要求低噪音运行,则应避免将泵置于油箱之上。
◆轴承附近区域的空气积存会损坏轴向柱塞泵。
◆确认在调试和运行过程中,吸油管路始终充满液压油。

图3
条件:必须保证泵的最小压力(吸油压力)为0.8 bar。
2.3 在油箱下部安装
◆油箱下部安装,轴向柱塞泵安装在油箱外部低于最低油位。
◆如果在油箱下部,T1、T2、S口必须用管路连接,如图4所示。
◆在泵初次起动及工作时,泵壳体内部必须充满液压油。起动必须在低速和无负载工况下进行,直至系统中空气全部排出。
◆泵长期停机后,泵壳体的液压油可能通过工作管道泄出。在重新起动时必须保证泵壳体内部充满液压油。
◆泵壳体中的泄油必须通过壳体上位置最高的一个泄油口排至油箱,管路上不准安装单向阀且管径不得缩小。

图4
二、工作介质与过滤
2-1 工作介质粘度:泵在工作温度下的最佳粘度为16~25 mm2/s。当季节温差过大时,应考虑随季节变化更换液压油。
2-2 应采用10μm的过滤器。
2-3 油箱、管路、液压系统须按有关标准和规定进行清洗,液压油必须经过滤器注入油箱,以保证整个系统的清洁度达到要求。
三、运转
3-1运转前应检查:油位、油液清洁度、泵的安装旋向、注油、排气等。
3-2启动时低速暖机运行,采用电动机驱动时先作点动运行,使油液达最低工作温度以上,并要求满足粘度要求。排气,检查漏油,观察油位,及时补油。
3-3 缓慢升压,带负荷工作,调整溢流阀,注意检查泵的温度、振动、噪音、渗油。有异常情况应及时停车,寻找原因进行处理。
3-4卸载停车,拧紧全部螺钉,处理漏油部位,检查滤油器,更换滤芯,出现异常污物要进行分析检查。
四、维护保养
对泵/马达本身一般情况下,不需专门保养,只要
注意油液清洁度,及时换油和更换滤芯,即能保证泵/马达长期工作。
4-1 滤油器的清洁净化(纸质滤芯必须更换)建议:首先启动后;每工作500小时;换油和出现故障后均应对滤油器进行清理和净化。
4-2 换油周期建议:首次启动500小时后;继续工作2000小时或一年后。虽未到换油周期,但发现滤油器污物多时也要及时换油。
(文字来源于网络,有侵权请联系删除)
NOK爱体育官方网站-爱体育aitiyu(中国)
咨询:
NOK密封件咨询:
三之星皮带咨询:
川崎液压咨询:
CFW爱体育官方网站-爱体育aitiyu(中国)
咨询:
EKK机械密封咨询: